香蕉电影网,91香蕉直播APP,香蕉视频黄片,香蕉在线视频观看

砂石場91香蕉直播APP機

產品分類

聯係香蕉电影网

公司名稱:寧津縣香蕉在线视频观看機械設備製造有限公司

聯係人:高經理

手機:13805348722

電話:0534-5232899

郵箱:2583730447@qq.com

地址:山東省寧津縣工業開發區

網址: www.zhengzaibo.net

帶式香蕉电影网廠家,91香蕉直播APP設備,砂石場91香蕉直播APP機

鑽井泥漿處理

您的當前位置: 首 頁 >> 產品中心 >> 振動篩

鑽井泥漿處理

  • 所屬分類:振動篩

  • 點擊次數:
  • 發布日期:2018/10/27
  • 在線詢價
詳細介紹

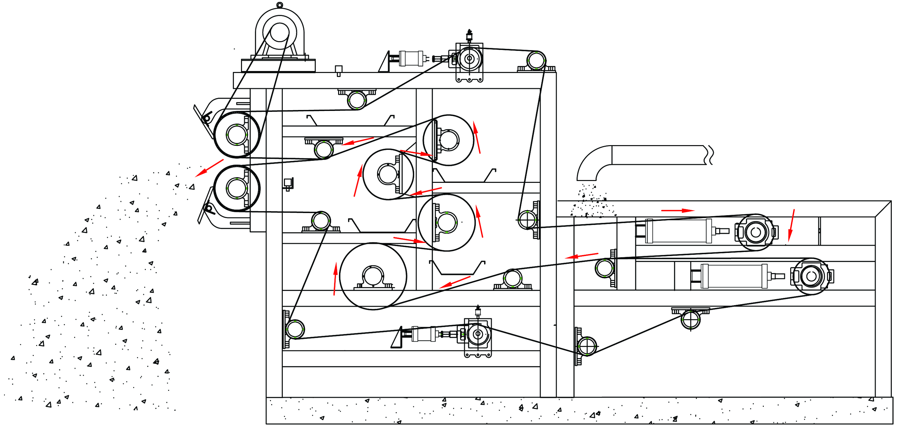
ZTDY-GQA1539655955160846.jpg式香蕉电影网-分體香蕉电影网                                                                   

架構特點

本機機架此用120*80國標鍍鋅方管整體牢固焊接而成,表麵底漆一層,麵漆兩層,其抗腐蝕能力可達十年以上,瓦盒座三層密封防水效果好,調心圓柱滾心軸承,球墨鑄鐵軸承座,濾帶糾偏采用光電裝置控製穩定,濾布自動衝洗裝置,工人易於操作,穩定性好,故障率低。

應用範圍 

金屬、非金屬礦山尾礦脫水、砂石廠91香蕉直播APP,石油不落地91香蕉直播APP、市政管樁91香蕉直播APP、番茄清洗91香蕉直播APP、甜菜清洗91香蕉直播APP、洗煤91香蕉直播APP、鋼渣處理91香蕉直播APP、城市生活91香蕉直播APP等行業的汙水泥漿處理。


A.png















ZTDY-GQA型結構圖

1540529890565644.jpg


本文網址:http://www.zhengzaibo.net/product/603.html

關鍵詞:鑽井泥漿處理廠家,鑽井泥漿處理設備,鑽井泥漿處理

上一篇:沒有了
下一篇:ZTVD係列幹排篩

最近瀏覽:

網站地圖